HOME ¦¢ SITEMAP ¦¢ ENGLISH
HOME > Á¦Ç°¼Ò°³ > ¹öÅÍÇöóÀ̹ëºê
¹öÅÍÇöóÀ̹ëºê

¹öÅÍÇöóÀ̹ëºê´Â ÁÖ·Î »óÇϼöµµ¿¡ »ç¿ëµÇ´Â °ÍÀ¸·Î ÀÌ ¹ëºê´Â KS B 2332(AWWAC504, BS5155 ¹× JISB2064) ÀÇ »ç¾çÀ» ¸¸Á·½Ãŵ´Ï´Ù.ÀÌ¿ëÇÏ´Â ¿©·¯ Á¶ÀÛ±â Çü½ÄÀ¸·Î¼­ ¼öµ¿, Àüµ¿ ±¸µ¿°³Æó´ë½Ä(2»ó½Ä)¹× ½Ç¸°´õÇü µîÀÌ ÀÖ½À´Ï´Ù.°úÁßÇÑ Á¶°ÇÇÏ¿¡¼­µµ ¿îÀüÀÌ ¿ëÀÌÇϵµ·Ï ¼³°èµÇ¾î ÀÖ½À´Ï´Ù.¼öµµ¿ë ¹öÅÍÇöóÀ̹ëºêÀÇ KS¸¶Å© Ç¥½ÃÀÎÁõÀ» ÀÎÁõ¹øÈ£ 00-1606È£¿¡ ÀÇÇØ ÀÎÁõ ¹Þ¾Ò½À´Ï´Ù.

 
Max. Working Pressure

8"~180"(200~4500mm)

service Water

Flange dimension

Class 1 65psi(4.5kgf/§²)

Class 2 105psi(7.5kgf/§²)

Installatjion

Class 3 150psi(10kgf/§²)

Other standards are available on request

Hydraulic Vertical, Horizontal of Floor type
Part Class 200-350 400-2000 2100mm Over size
(1)Body pressure class1 14.0kgf/§² 10.5kgf/§²

1.5times

of working

pressure

class2 17.5kgf/§² 14.0kgf/§²
class3 23.5kgf/§² 21.0kgf/§²
(2)Seat leakage class1 4.5kgf/§² 4.5kgf/§²

The same as

the working

pressure

class2 7.5kgf/§² 7.5kgf/§²
class3 10.0kgf/§² 10.0kgf/§²
Coation

Asphalt varnish coating

The other materials are availble on request

Operration

Manual(Worm gear type)

Electric(worm gear Valve. actuator type)

Cylinder type(Oil, air or Water)

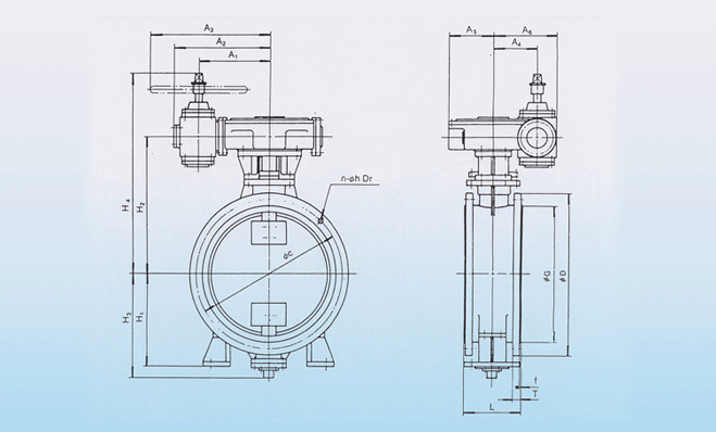
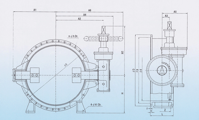
¹öÅÍÇöóÀ̹ëºê Ä¡¼öÇ¥
¼öÆòÇü Φ200~1200
´ÜÀ§ : mm  
º»»ç ¹× °øÀå : ºÎ»ê±¤¿ª½Ã °­¼­±¸ ³ì»ê»ê´Ü361·Î 20 ¦¢ ´ëÇ¥ÀüÈ­ : 051) 832-0661~4 ¦¢ FAX : 051) 832-0665
COPYRIGHT 2008 YIHWAN. ALL RIGHT RESERVED