|
|
 |
|
|
| HOME > PRODUCT >BUTTERFLY VALVES |
|
| Butterfly Valves for Waterworks |
 |
|
Intended Primarily for use with service water, this valve meets specification if KS B 2333(AWWA C 504, BS 5155 or JISB 2064)
Availavle in several models, Operated manually, by motor, by head stock or by cylinder, Operation is seay and suited for heavy duty services.
|
 |
|
|
|
| Max. Working Pressure |
8"~180"(200~4500mm)
service Water
|
|
| Flange dimension |
Class 1 65psi(4.5kgf/§²)
Class 2 105psi(7.5kgf/§²)
|
|
| Installatjion |
Class 3 150psi(10kgf/§²)
Other standards are available on request
|
|
| Hydraulic |
Vertical, Horizontal of Floor type |
|
| Part |
Class |
200-350 |
400-2000 |
2100mm Over size |
| (1)Body pressure |
class1 |
14.0kgf/§² |
10.5kgf/§² |
1.5times
of working
pressure
|
| class2 |
17.5kgf/§² |
14.0kgf/§² |
| class3 |
23.5kgf/§² |
21.0kgf/§² |
| (2)Seat leakage |
class1 |
4.5kgf/§² |
4.5kgf/§² |
The same as
the working
pressure
|
| class2 |
7.5kgf/§² |
7.5kgf/§² |
| class3 |
10.0kgf/§² |
10.0kgf/§² |
|
|
| Coation |
Asphalt varnish coating
The other materials are availble on request
|
|
| Operration |
Manual(Worm gear type)
Electric(worm gear Valve. actuator type)
Cylinder type(Oil, air or Water)
|
|
|
| Dimensions of Butterfly Valves |
|
|
|
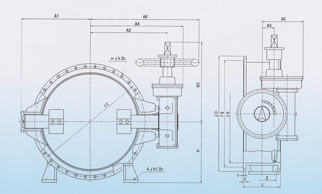
| Horizontal TypeΦ200~1200 |
 |
| Unit : mm |
|
 |
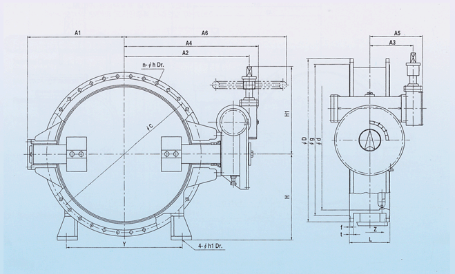
| Horizontal Type Φ1350~3000 |
 |
| Unit : mm |
|
 |
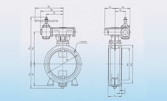
| Vertical Type Φ200~1500 |
 |
| Unit : mm |
|
 |
| Electro Horizontal Φ200~1200 |
 |
| Unit : mm |
|
 |
| Electro Horizontal Φ1350~3000 |
 |
| Unit : mm |
|
 |
|
|
|
|
|
|
|
|
 |
Head office & Factory : 1635-17, Songjung-dong, Gangseo-gu, Busan, Korea
TEL : +82)51-832-0661 FAX : +82)51-832-0665 |
| COPYRIGHT 2008 YIHWAN. ALL RIGHT RESERVED |
|
|
|
|